MCX Erkek - SMA Dişi Dönüştürücü Konnektör
- Üretici Numarası
- 242127
MCX Male to SMA Female Connector, 50 Ohm empedans değerine sahip, yüksek frekanslı sinyal iletimi gerektiren uygulamalarda kullanılan bir koaksiyel adaptördür. Kompakt tasarımı ve düşük kayıplı iletimi sayesinde RF sistemlerinde güvenilir bir bağlantı sunar.
Ürün Özellikleri
- Ürün Kodu (P/N): 242127
- Giriş: MCX Plug (Erkek Pin)
- Çıkış: SMA Jack (Dişi Soket)
- Empedans: 50 Ohm
- Frekans Aralığı: DC – 6 GHz
- Malzeme: Altın kaplamalı temas yüzeyleri (korozyon direnci ve iletkenlik için)
- Bağlantı Tipi: Push-on MCX / Vida tipi SMA
Kullanım Alanları
- RF modüller ve anten sistemleri
- GPS, GSM, WiFi ve IoT uygulamaları
- Laboratuvar test ekipmanları
- Veri iletim sistemleri
- Uydu iletişimi ve yayın sistemleri
Avantajları
- Kompakt ve hafif tasarımıyla yerden tasarruf sağlar
- Yüksek frekansta düşük kayıplı performans
- Farklı konnektör tipleri arasında pratik geçiş sağlar
- Kolay montaj ve sökme imkanı
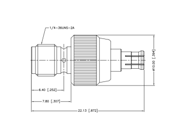
Teknik Boyutlar ve Detaylar

MCX Male - SMA Female adaptör, standart boyutlara uygun olarak üretilmiştir. Teknik çizimler, mekanik toleranslar ve uyumlu cihaz listesi için lütfen teknik dökümanları inceleyin veya bizimle iletişime geçin.
Bu ürüne ilk yorumu siz yapın! LÜTFEN Sorularınızı bu alana yazmayınız. Sorularınız için info@elektrovadi.com
